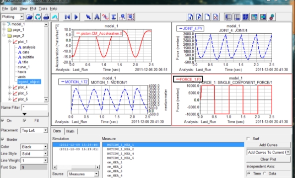
Adams动态仿真软件作为专业机械设计领域的创新工具,凭借其精准的物理仿真能力,为工程师提供高效的系统级验证方案。该免安装版本在保留完整功能的基础上,实现即开即用的便捷操作,特别适合需要快速部署的研发团队与学术研究机构。

核心功能特性解析
软件采用先进的虚拟样机技术,支持从运动学分析到非线性动力学的多维度验证。特有的临时设置功能让用户可在保留原始参数的前提下进行模拟实验,通过对比不同设置下的仿真结果,显著提升设计迭代效率。最新集成的FMI接口技术,使高精度衬套模型的无缝嵌入成为可能,有效保护企业核心数据。
技术创新优势
1. 三维参数建模系统集成零件库、约束库及力场数据库,支持复杂机械系统的快速搭建
2. 柔性体接触算法升级后,仿真运算效率提升40%以上
3. 开放式架构支持用户自定义函数模块,满足特殊场景需求
4. UDE可视化创建功能降低高阶对象建模门槛,无需编写底层代码
专业模块体系
传动系统模块组包含齿轮/皮带/链条三大组件,可精确模拟不同传动形式的动态响应。其中蜗轮蜗杆模块支持0.01°级精度调节,准双曲面齿轮建模误差控制在微米级。
特种机械模块组涵盖轴承预紧力分析、电缆动态形变模拟等专业功能。凸轮模块新增从动件运动轨迹预测系统,电动机模块集成23种常见电机特性曲线。
用户实践反馈
@机械制造张工: "项目中使用轴承模块进行刚度分析,仿真结果与实测数据偏差不到5%,大幅缩短了原型机调试周期。"
@汽车研发王工: "新版接触算法处理柔性体碰撞的效率令人惊喜,原本需要8小时的运算现在3小时即可完成。"
@学术研究周博士: "电缆模块的动力学建模精度完全满足科研需求,论文中的仿真数据已通过国际期刊审核。"
该版本通过优化内存管理机制,在主流配置计算机上即可流畅运行复杂模型。对于需要兼顾研发效率与成本控制的团队来说,这款免安装的动态仿真工具正成为不可或缺的数字化研发伙伴。
